上海信息网
loading
免费发布信息
·上海 [切换]
    信息分类列表

      医用IT系统绝缘监测及故障定位产品 (七件套)

      2023-09-05 09:52:26发布,长期有效,184浏览
    • 置顶
    • 定时刷新  |
    • 收藏  |
    • 举报  |
    • 区域:上海
      • 联系人:宋兵兵
      • 电话: 点击查看完整号码
        • 【搜巴巴】提醒您:1、本站信息均为会员商家自行发布,请自行分辨信息真假,如有让你提前汇款,或者价格明显低于市价,均有骗子嫌疑,不要轻易相信,联系前请仔细阅读《谨防诈骗须知
    • 信息详情

    宋兵兵

    安科瑞电气股份有限公司 上海嘉定 201801

    1 概述

            医用IT系统主要应用于诸如手术室、ICU/CCU重症监护室、早产儿监护室,产房,血透中心,抢救室等重要的医疗2类场所,为这些场所的重要设备提供安全、可靠、连续的配电。
    医用绝缘监测及故障定位装置是安科瑞电气集多年电力仪表行业的设计经验,根据医疗2类场所对配电系统绝缘监测和故障定位的特殊要求而开发的。产品可实现IT系统的绝缘、负载和隔离变压器温度等状况的实时监测,并具有系统绝缘故障回路定位和多套系统集中监控等功能。
    产品符合企业标准Q31/0114000129C013-2016 《IT系统绝缘监测仪》的规定。
            医用IT系统绝缘监测及故障定位产品(七件套)包括AITR系列医用隔离变压器、AIM-M200医疗智能绝缘监测仪、AKH-0.66P26电流互感器、AIL150-4/8绝缘故障定位仪、ASG150测试信号发生器、HDR-60-24电源模块和AID150集中报警与显示仪等,产品如表1所示。

    表1 医用IT系统绝缘监测及故障定位产品

    图片
    图片

    2 功能特点

    2.1 AITR系列医用隔离变压器功能特点

    初次级绕组之间的变比为1:1;
    绕组与绕组之间采用了双重绝缘处理,并设计了静电屏蔽层;
    每个线包内均安装了PT100温度传感器,用于监测隔离变压器的温度;
    用于将TN系统经隔离变压器后,转接成IT系统(不接地系统)。

    2.2 AIM-M200医疗智能绝缘监测仪功能特点

            具有对被监测IT系统对地绝缘电阻、变压器负荷电流、变压器绕组温度实时监测与故障报警功能;
            可与绝缘故障定位装置配套使用,在绝缘故障时可远程启动故障定位,并显示定位结果;
    能实时监测与被测系统连线断线故障、温度传感器断线故障以及功能接地线断线故障,并在故障发生后2S内给出报警指示;
            继电器报警输出、LED报警指示等多种故障指示功能;
            采用两种现场总线通讯技术,分别用于集中报警与显示仪、测试信号发生器、绝缘故障定位仪以及上位机管理软件通讯,可以实时监控IT系统的运行状况;
            具有事件记录功能,能够记录报警发生时间和故障类型,方便操作人员分析系统运行状况,及时消除故障。

    2.3 ASG150测试信号发生器

            采用CAN总线技术,可与其它设备进行数据交互;
            当被监测的IT系统出现绝缘故障时,能启动并产生故障定位信号注入系统中,配合故障定位仪实现故障定位功能;
            具有L1,L2断线检测功能,并可通过发光二级管指示。

    2.4 AIL150-4/AIL150-8绝缘故障定位仪

            采用CAN总线技术,可与其它设备进行数据交互;
            可与ASG150测试信号发生器配合,实现故障定位功能。其中,AIL150-4可定位4个回路的   绝缘故障,AIL150-8可定位8个回路的绝缘故障。定位回路通过LED指示灯指示。

    2.5 AID150集中报警与显示仪功能特点

            可以远程监测多达16套系统实时的运行状况,主界面直观显示接入系统通讯是否完好;
            可以对各系统绝缘监测仪的绝缘电阻报警值、负荷电流报警值和变压器温度报警值进行远程设置,并可远程启动绝缘监测仪自检;
            当被监测的任一系统出现绝缘故障、过负载、变压器温升过高或接线故障时,集中报警与显示仪提供相应的声光报警功能,并可手动消除报警声音。
            具有事件记录功能,方便操作人员分析系统运行状况,及时消除故障,最多可保存最新的20条记录;

    2.6 HDR-60-24仪用电源功能特点

            交流220V输入,直流24V输出,最大输出功率为60W;
            用于为AIM-M200医用智能绝缘监测仪、ASG150测试信号发生器、AIL150系列绝缘故障定位仪和AID150集中报警与显示仪等仪表提供直流24V电源。

    2.7 AKH-0.66P26电流互感器功能特点

            最大可测电流为60A,变比是2000:1;
            与AIM-M200绝缘监测仪配套,测量隔离变压器的负载电流。

    3 参考标准

    ■ GB 16895.24-2005 / IEC 60364-7-710:2002 《建筑物电气装置第7-710部分:特殊装置或场所的要求—医疗场所》;
    ■ IEC 61557-8 《交流1000V和直流1500V以下低压配电系统电气安全 防护检测的试验、测量或监控设备 第8部分:IT系统用绝缘监测装置》;
    ■ IEC 61557-9 《交流1000V和直流1500V以下低压配电系统电气安全 防护检测的试验、测量或监控设备 第9部分:IT系统用绝缘故障定位设备》;
    ■ GB 51348-2019 《民用建筑电气设计标准》;
    ■ GB 19212.1-2016 / IEC61558-1 《电力变压器、电源、电抗器和类似产品的安全 第1部分:通用要求和试验》;
    ■ GB 19212.16-2017 / IEC61558-2-15《电力变压器、电源装置和类似产品的安全 第16部分:医疗场所供电用隔离变压器的特殊要求》。

    4 技术参数

    4.1 AITR系列医用隔离变压器技术参数见表2。

    表2 AITR系列隔离变压器技术参数表

    图片

    4.2 AIM-M200医疗智能绝缘监测仪技术参数见表3。

    表3  AIM-M200医疗智能绝缘监测仪技术参数

    图片

    4.3 ASG150测试信号发生器、AIL150-4/8绝缘故障定位仪技术参数见表4。

    表4 ASG150测试信号发生器、AIL150-4/8绝缘故障定位仪技术参数

    图片

    4.4 AID150集中报警与显示仪技术参数见表5。

    表5 AID150集中报警与显示仪技术参数

    图片

    4.5 HDR-60-24仪用电源技术参数见表6。

    表6 HDR-60-24仪用电源技术参数

    图片

    4.6 AKH-0.66P26电流互感器技术参数见表7。

    表7 AKH-0.66P26电流互感器技术参数

    图片

    5 安装与接线

    5.1 外形与安装开孔尺寸

    5.1.1 AITR系列医用隔离变压器外形尺寸

    AITR系列医用隔离变压器的外形结构及尺寸如下图和表9所示(单位:mm)

    图片

    说明:按照标准规定,医用单相隔离变压器最大容量10kVA;A、B、C尺寸为变压器的长宽高,D、E、F尺寸为变压器的安装尺寸,F为安装固定孔位,推荐M8*30螺丝固定。

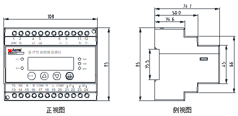
    5.1.2 AIM-M200医疗智能绝缘监测仪外形尺寸(单位:mm)

    图片

    5.1.3 ASG150测试信号发生器外形尺寸(单位:mm)

    图片

    5.1.4 AIL150-4/AIL150-8 绝缘故障定位仪外形尺寸(单位:mm)

    图片

    说明:AIL150-4和AIL150-8两个型号产品外壳相同,互感器数量不同。

    5.1.5 AID150集中报警与显示仪外形尺寸(单位:mm)

    图片

    5.1.6 HDR-60-24电源模块外形尺寸(单位:mm)

    图片

    5.1.7 AKH-0.66P26电流互感器外形尺寸(单位:mm)

    图片


    联系我时,请说是在【搜巴巴】看到的,谢谢!

    手机扫码分享

    查看全部上海工业设备信息
    发布一条上海工业设备信息
    • 相关图片

    医用IT系统绝缘监测及故障定位产品 (七件套)

    • 您可能感兴趣的分类信息
    • 上海新近发布的信息